![]()
建築物エネルギー消費量調査38報(ダイジェスト版)

本調査は1978(昭和53)年より開始し、以後35年にわたりビルのエネルギー消費量を調査分析してきた貴重な資料である。開始当初は、400件程度でありましたが、年を経るに従い増加し、1995(平成7)年以降は毎年900件前後のビルについて調査分析を行っている。
一般の産業界とは異なり建築物の場合、用途や構造、運営形態、立地場所など千差万別である。従って、これだけの件数のデータが継続して毎年揃っているものは他に例がなく、このことから多数の方から貴重な資料と評価されている。
また、長年にわたり継続できたことは、会員企業の皆様のご協力によるものであり、深く感謝致します。
今年度平成27年の調査報告は、平成26年度のエネルギー消費量が調査対象となる。
今回の消費量調査では電力使用制限令の発令はなく電力需給が安定しているため、無理な節電対策をせず、執務室の環境を保持しながら省エネ対策を行い、併せて設備改修等が実施された結果である。(設備改修等の回答については本報告書第4章のアンケート集計をご参照いただきたい。)
地球温暖化の要因となる温室効果ガスの一つである二酸化炭素の発生源として発電所、工場、車、ビル、その他種々のものがある。この中で昨今、オフィスビルなどの業務部門からの排出量が増加している。この問題を解決するには、設備機器をよりエネルギー消費効率の良いものに更新するハード面と省エネルギーを達成するためのきめ細かな運転管理などのソフト面も重要である。これらの必要に応じて、既に設備機器の更新や新築の際にハード面の改善を行い、日常の運転管理でソフト面の改善をしたビルも数多いと思われる。
今後もこのような状況が続くものと予想され、これら省エネルギー対策をおこなう上で本報告書の各種データを用いて比較検討をおこない、管理されているビルの省エネルギー対策や節電対策に役立つと思われる。
本編は「ダイジェスト版」であり、調査結果についての概説である。調査結果に関する詳細については『平成27年度 建築物エネルギー消費量調査報告書第38報』を活用して頂きたいと考える。
タイトルバーをクリックしてご覧ください。
1.建築物エネルギー消費量調査報告書の項目

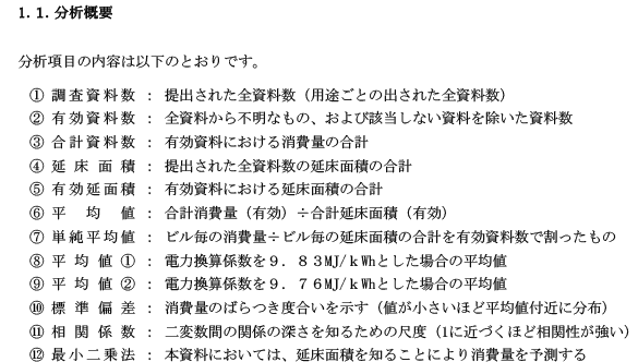
1.分析概要

1.2.エネルギー消費量の算定

2.本報告書の見方と活用

3.消費量の分析データ
3.1.総エネルギー消費量及び原単位比較

3.2.建物用途別総エネルギー原単位比較グラフ

3.3.全建物のエネルギー別消費量及び原単位

3.4.事務所のエネルギー別消費量及び原単位

3.5.デパート・スーパーのエネルギー別消費量及び原単位

3.6.店舗・飲食店のエネルギー別消費量及び原単位

3.7.ホテルのエネルギー別消費量及び原単位

3.8.病院のエネルギー別消費量及び原単位

3.9.学校のエネルギー別消費量及び原単位

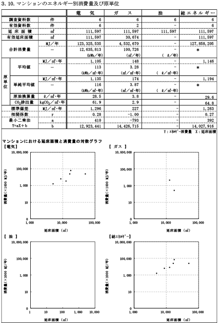
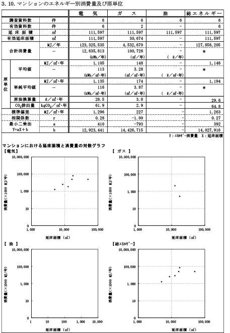
3.10.マンションのエネルギー別消費量及び原単位

3.11.その他のエネルギー別消費量及び原単位

4.その他の統計データ
4.1.用途別水消費量及び原単位

4.2.用途別受水槽1㎥当たりの原単位

4.3.事務所ビルの延床面積別エネルギー消費量

4.4.事務所ビルの地域別エネルギー消費量

4.5.事務所ビルの竣工年別エネルギー消費量

4.6.事務所ビルの階数別エネルギー消費量

4.7.契約電力の延床面積当たりの原単位

4.8.契約電力1kW当たりの年間電力消費原単位

4.9.冷温熱源容量の延床面積当たりの原単位

4.10.変圧器容量の延床面積当たりの原単位

4.11.空調・換気用モータ電気設備容量の延床面積当たりの原単位

4.12.給排水・搬送用ポンプモータ電気設備容量の延床面積当たりの原単位

4.13.蓄熱槽とエネルギー消費量原単位

5.アンケート回答(調査件数771件)

![]()
お問い合わせ
一般社団法人 日本ビルエネルギー総合管理技術協会
〒106-0044 東京都港区東麻布1-10-13 東麻布アネックス4F
TEL 03-6426-5411 FAX 03-6426-5412
お問い合わせページはこちら
URL http://www.bema.or.jp/




